[Top]
GNSS-UBX-X20P: ZED-X20P 搭載基板
GNSS-UBX-F9P: ZED-F9P 搭載基板
IO の信号電圧は変換 IC で外部電源電圧に変換可能 (デフォルト設定)
ZED-X20P 動作中に外部 IO の電源電圧が喪失した場合のバススイッチにより信号を閉じ電圧のリークを防ぎます
本基板リリース時 CLAS の使用はできません. 2026年上旬に CLAS 対応ファームウェアが U-BLOX 社からリリース予定です


First of all
設定は U-BLOX 社の設定ツール u-center2 を使用してください.
ZED-X20P の USB 通信は正式にはサポートしていませんが通信は可能です. ただし通信が正しく行なわれない場合があり, 本基板では別途 USB-UART を搭載し見掛け上 USB で設定を行なう様にしています. 通信が不安定であっても ZED-X20P の USB で設定や GNSS 情報を行ないたい場合はチップ抵抗の付け替えで可能です.
Specifications
GNSS module: ublox ZED-X20P
受信周波数: L1, L2, L5, L6, L-band
RTK 対応 (基準局, 移動局)
位置情報更新レート: 25Hz (max)
RF コネクタ: SMA-J (LNA 電源供給)
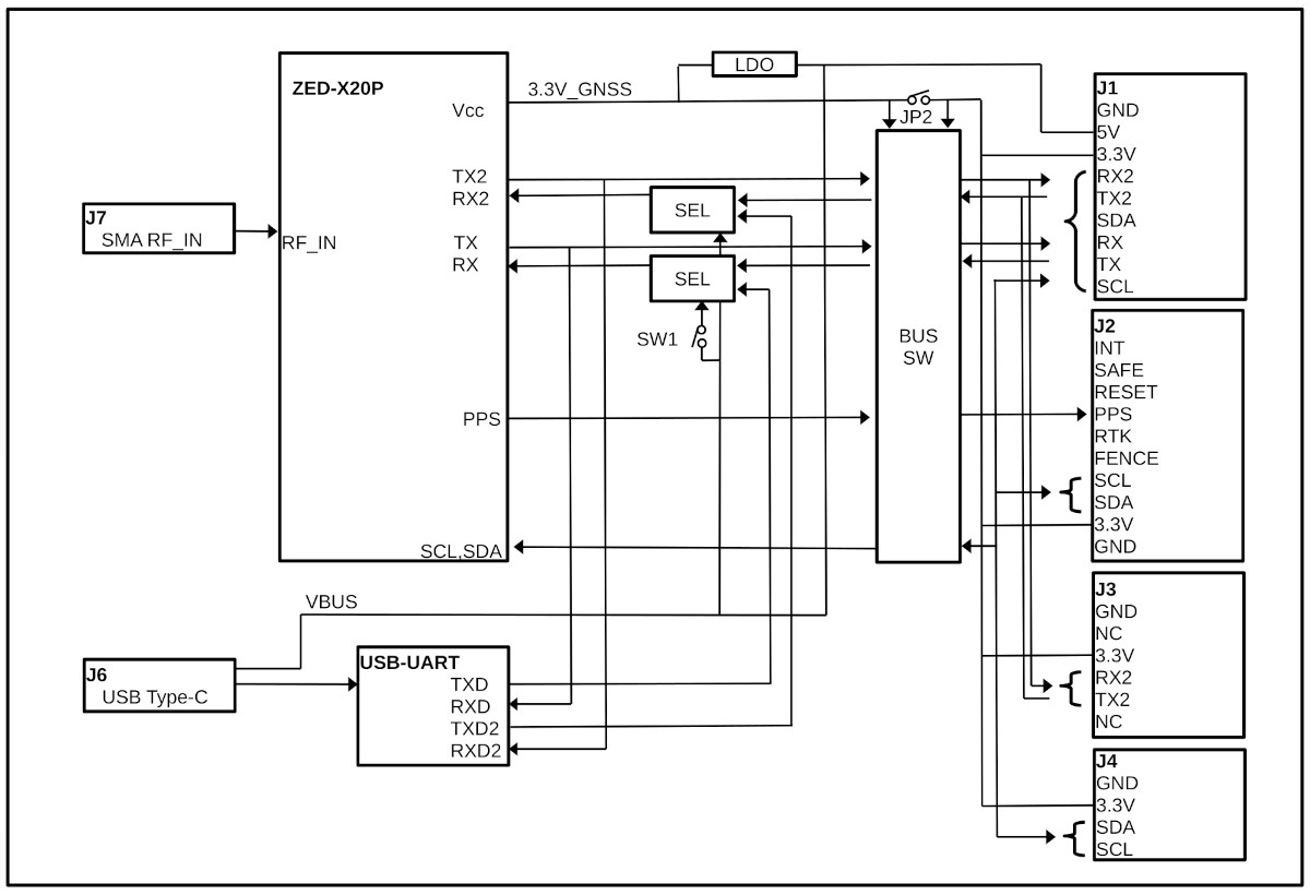
インターフェイス: UART0, UART41, USB Type-C (UART と USB で切り換えになります)
UART,PPS インターフェイス電圧: 外部電源入力で可変可能 (1.8V - 3.3V), 内部 3.3V 使用かつ出力に固定可能 (JP2 をブリッジ)
インターフェイスリーク対策: 外部電源入力喪失時バススイッチで外部側への電圧をカット
電源供給: IO ポートの +5V ピンまたは USB Type-C ポートからの 5V 給電
電源電圧: 5V 150mA (アンテナ電力は含まず)
基板サイズ: 43.5 x 43.5 mm, Raspberry Pi 基板サイズ
Documents
製品説明書 JP
Schematics
Configuration files
Examples (code, setup, etc)
Purchase